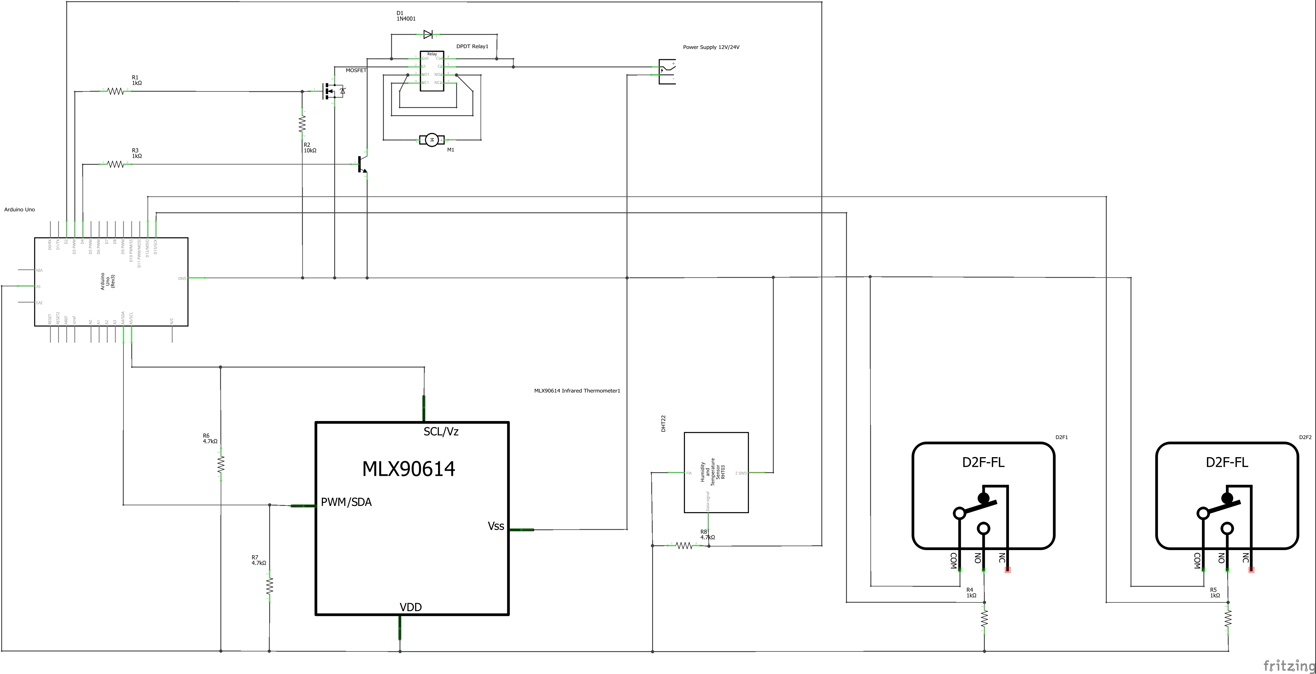
Here you can view and download the circuit diagram of my custom built observatory:
If you are interested in downloading my customized Observatory Control Software (including the Arduino controller and PC source code), please send an email to radu.gherase@stardreamsobservatory.com with a short presentation of your project and a software download request and you will get a reply with unique download links. I do not provide any warranty for this software and you will use it at your own risk.
If you find the information on this site useful for your scientific or observational projects, you may consider making a small contribution for supporting the activities at the Stardreams Observatory.
The following cryptocurrencies are accepted:
Bitcoin:
Thank you for your support!

